完美世界国际版下载,已完结小说排行榜,完美世界辰东小说下载

產品目錄
聯系報價
緊急熱線
聯系銷售
服務與解決方案
翼凱機械為耐磨材料解決方案專家。我們竭誠為您產線提供一站式耐磨材料解決方案服務和科學解決方案,同時為您節省成本以及精力。向您提供專業的解決方案是我們的強項。上海翼凱機械設備有限公司積極帶給您國內外的材料技術解決方案,同時還為您提供專業的技術指導以及支持服務。
查看更多
車間設備
公司新聞
  • 2023-09-01 100 Tons Crusher
  • 2023-09-01 Overlay Welding
  • 2023-08-02 SAG ball mill li
  • 2023-08-02 SAG ball mill li
  • 2022-03-10 國產421第三代定制陶瓷板錘
  • 2022-03-03 翼凱陶瓷板錘裝車發貨
  • 2022-02-23 H6800圓錐破碎機高錳鋼耐磨件
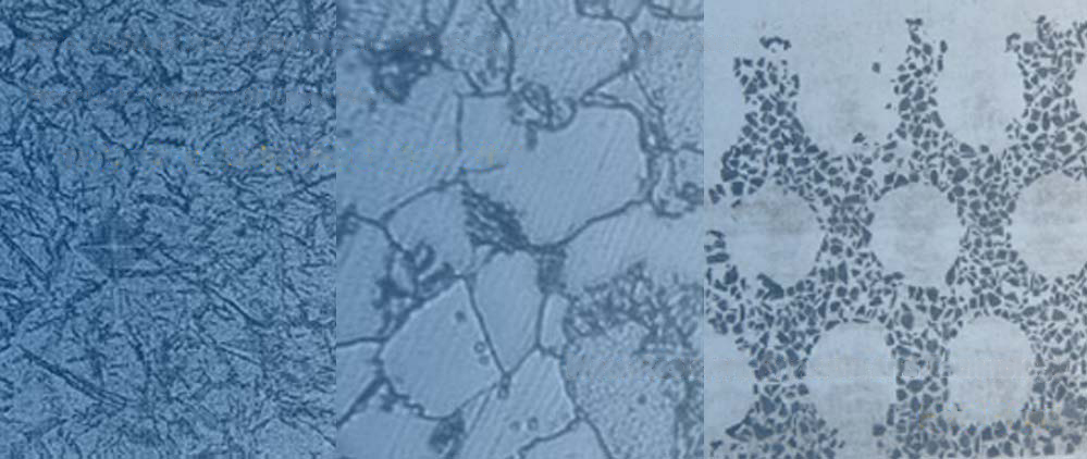
質量控制
查看更多>>
我們嚴肅認真對待產品質量!翼凱機械質量控制體系控制產品原材料,化成成份,尺寸精度,金相組織,產品內部以及表面質量等。產品的質檢標準嚴格按照國標GB,也可以美標ASTM等其他執行并驗收。
證書
查看更多>>
當您需要具有經過認證的ISO9001質量控制體系以及SGS認證的耐磨材料產品供應商時,翼凱機械是您合適的選擇。我們有強烈的質量控制意識以及完善的質量控制體系。 所有的產品合格后,方可入庫發貨。
客戶反饋
查看更多>>
翼凱機械始終與客戶保持良好的溝通,聽取他們對我們產品質量的反饋。我們希望通過客戶反饋來完善我們的產品 … 查看更多
满洲里市 潍坊市 长丰县 巴林右旗 孟津县 湖北省
抚顺市 枣庄市 通州区 兰考县 封丘县 庆阳市
松溪县 朝阳市 普安县 增城市 阿尔山市 师宗县
泛站蜘蛛池模板: 东乡县| 石嘴山市| 普宁市| 凌云县| 邹平县| 洛阳市| 孟津县| 兴业县| 防城港市| 沙坪坝区| 清水县| 肥东县| 吉林省| 申扎县| 林西县| 新乡市| 竹北市| 淮安市| 吉水县| 颍上县| 德兴市| 洛南县| 庄浪县| 内乡县| 玛沁县| 汉川市| 松潘县| 河北省| 仁化县| 固阳县| 渑池县| 景宁| 子洲县| 壶关县| 盐池县| 张家界市| 南川市| 蚌埠市| 宜阳县| 平泉县| 河池市|